Intro
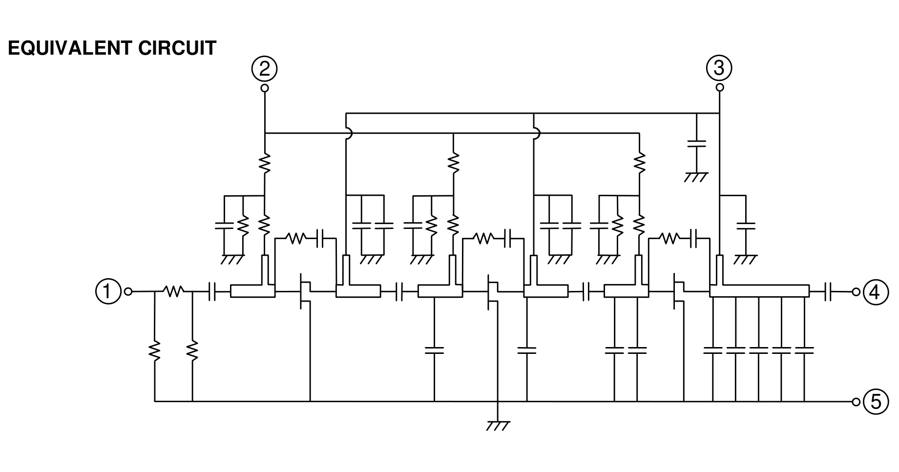
“The RA30H4452MA is a high-power RF power module developed by Mitsubishi Electric. It operates in the 440–520 MHz frequency range and delivers up to 30W output power, making it well-suited for amateur radio, UHF communication systems, and wireless transceivers. Utilizing MOSFET power amplification technology, the module offers high gain, excellent linearity, high efficiency, and a compact package. Its ability to provide stable output with low distortion makes it an ideal choice for medium-power UHF transmitter designs.”




Further works TBD… including making pcb board for it.